
、現狀
某焦化廠煉焦爐鼓冷系統有兩臺400kW離心風機,一用一備,安裝在兩臺初冷器之前,即一臺鼓風機同時對兩臺初冷器中的煤氣進行抽取。工藝上要保證初冷器內維持120Pa正壓,則鼓風機需要調速,原系統采用液力偶合器調速。另外,還要求兩臺初冷器內的正壓相同,均為120Pa。原系統是在初冷器的出口處設置手動閥門用人工調節,在調節過程中,不僅要調節閥門的開度,還要同時調節液力偶合器的油壓,以此調節風機的轉速。閥門和轉速都要調節,二者又有一定的偶合度,常常顧此失彼,很難達到工藝要求。另外,液力偶合器調速的穩定性較差及調速的不方便,而且效率低,為滿足生產工藝的要求和節能,需要對其進行改造。
二、改造方案
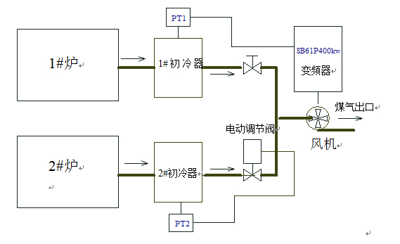
出于節能考慮,將液力偶合器調速改為變頻調速。為控制兩初冷器內的壓力,采用壓力閉環控制和電動閥結合控制,該方法是在1#初冷器和2#初冷器上安裝兩只壓力變送器,變送器壓力值代表初冷器內的壓力值。以1#初冷器變送器的反饋值來控制變頻器的輸出頻率,使其穩定在120Pa的壓力上。但是1#初冷器和2#初冷器的出口風道是并聯的,由于某些因素,1#初冷器和2#初冷器的壓力值可能不相等,這時,由調節器送出的信號到2#初冷器電動調節閥,調節器閥門的開度,使1#初冷器和2#初冷器的壓力值相等。但是電動閥的調節影響總壓力值,2#初冷器出口處的壓力變送器將檢測到的壓力信號送變頻器,由變頻器使風機電機升速或降速,維持工藝要求的壓力值在120Pa。調節過程要經過幾次的反復調節,無需人工介入,都是自動進行的。煉焦鼓冷系統控制示意圖如圖1所示:

圖1 煉焦鼓冷系統控制示意圖
三、改造方案的電氣原理圖和控制原理
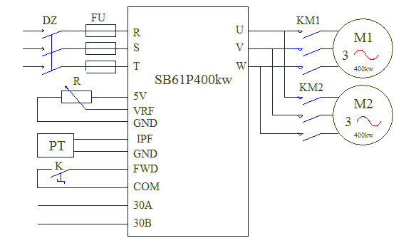
1﹑變頻器采用森蘭SB61P400??紤]到電機是一用一備,為節省投資,兩臺風機電機共用一臺變頻器,當電機需要倒換時,僅改變電機外部的接線,變頻器控制原理圖如圖2所示。PT為壓力變送器,為四線式的壓力變送器接線,還有兩根電源線未畫出。R為給定調節,也可以用操作面板給定。KM1﹑KM2控制那臺電機運行。

圖2 變頻器控制原理圖
因為液力耦合器的效率較低,改造時不需要保留,可將其拆除。留下的空位可裝一臺減速箱,減速箱的減速比的選擇,根據工藝條件決定。即變頻器輸出頻率50(60)Hz時,風機輸出最大風量。為減少減速箱安裝時的工作量,減速箱需認真選擇。
2﹑壓力變送器的安裝
壓力變送器要正確的反映初冷器的壓力值,安裝位置值得研究,顯然安裝在初冷器上,即可。為簡化控制,用一號初冷器壓力變送器的信號反饋到變頻器,由此控制一號初冷器的壓力;二號初冷器的壓力變送器的信號送到電動調節閥調節器上,控制閥門的開度,以平衡兩初冷器的壓力值。如圖1所示。
四﹑節能
改造過程中,去掉了液力耦合器后換為一臺1.25︰1的減速箱。生產運行時,變頻器的輸出頻率在34Hz上下變動,計算節能效果如下:
400kW風機風量從100%降低到70%,由于流量與轉速一次方成正比,因此轉速可以降低70%,負載功率理論上降為34.3%,如果變頻調速效率按0.95算,再考慮電動機效率在低功率時和管道系統效率有所下降,電網總輸入功率約:
400×(34.3%/0.95/0.85/0.95)=400×44.71%=178.84kW
如果采用液力偶合器,其效率按0.665計算,電網總輸入功率為
400(34.3%/0.665/0.85/0.95)=400×63.87%=255.12kW,
二者之差為節約的電能,即:
255.12-178.84=76.28kW
全年按300日計算,年節電:
76.28×300×24=549216kWh。
據實際檢測本系統節能在21.9%,不到一年可收回投資,取得了非常好的經濟效益。