
四川眉山仲輝集團造紙廠,生產多種文化用紙,有多條造紙生產線,主要是1092小紙機,也有1770紙機。這些紙機是早年的產品,傳動部分有總軸傳動和分部傳動,分部傳動又有電磁調速傳動和直流調速傳動。由于使用年代較久,故障率較高,迫切需要改造。從2003年起,先后對這些紙機實施了變頻改造,全部改造都使用了希望森蘭的變頻器,主要使用SB70G系列變頻器。實踐證明,SB70G系列通用變頻器,開環控制的精度可以適應類似1092、1770這類低速紙機的要求,并且變頻器的穩定性和可靠性較高,減少了因電磁調速和直流調速故障而產生的停機損失。
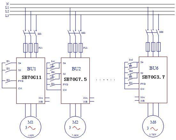
本例以分部傳動點為6個點的1092為例加以說明。圖2中,各傳動點的電機功率分別為:網部11kW,壓榨7.5kW,烘1~烘2均為5.5kW,壓光3.7kW,卷紙3.7kW。紙機的負載為恒轉矩負載和大慣性負載,選用希望森蘭SB70G系列變頻器,速度的調節用變頻器的端子X4、X5用以設定頻率。在X4、X5端口上,接有按鈕和中間繼電器常開節點,按鈕SA1~SA5本級速度上升微調;SB1~SB5本級速度的下降微調;ZJ1總速度上升;ZJ2總速度下降;ZJ3總起/總停,這又是一種速度鏈的分配方式。

圖2 1092紙機變頻調速原理圖
紙機傳動經過變頻改造,較之于電磁調速,低速(爬行)力矩滿足工藝要求,運行更穩定,調速更方便,而且有25%的節能,經濟效益十分顯著。